Нашли дешевле? Сделаем скидку! Подробности по телефону +7 (351) 223-08-53
Позвонить

Датчик углекислого газа влажности и температуры ДУГВТ 24.RS485.1.10.К

Артикул: -4386

Описание

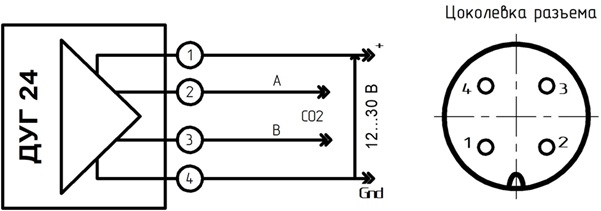
ВЫХОД: RS485 (Modbus RTU); НАСТЕННЫЙ; ДИАПАЗОН: 0...10000ррм; ИСПОЛНЕНИЕ НАСТЕННОЕ С КАБЕЛЕМ

 

Датчик ДУГВТ 24.RS485.1.10.К предназначен для измерения и непрерывного преобразования значения концентрации углекислого газа, влажности и температуры в воздухе в цифровой сигнал с протоколом Modbus RTU по интерфейсу RS485. Датчик предназначен для применения в составе систем управления и контроля микроклимата в сельском хозяйстве и промышленности. С помощью датчиков СО2, которые дают точный показатель концентрации углекислого газа (CO2) в воздухе, возможно более точное управление производительностью вентиляционной системы, в зависимости от заданного максимального значения содержания углекислого газа. Сфера применения датчиков: промышленность, сельское хозяйство, системы вентиляции и т.п.

Принцип работы. Чувствительный сенсор датчика выполнен по технологии NDIR (не дисперсионный инфракрасный сенсор). На выходе датчика формируется напряжение, прямо пропорциональное концентрации углекислого газа.

Благодаря защитной PTFE мембране возможна работа датчика в условиях высокой влажности воздуха (более 95%)!

Характеристики

Измеряемый параметр Углекислый газ, влажность и температура
Напряжение питания, VDC 15...30
Выход датчика RS485
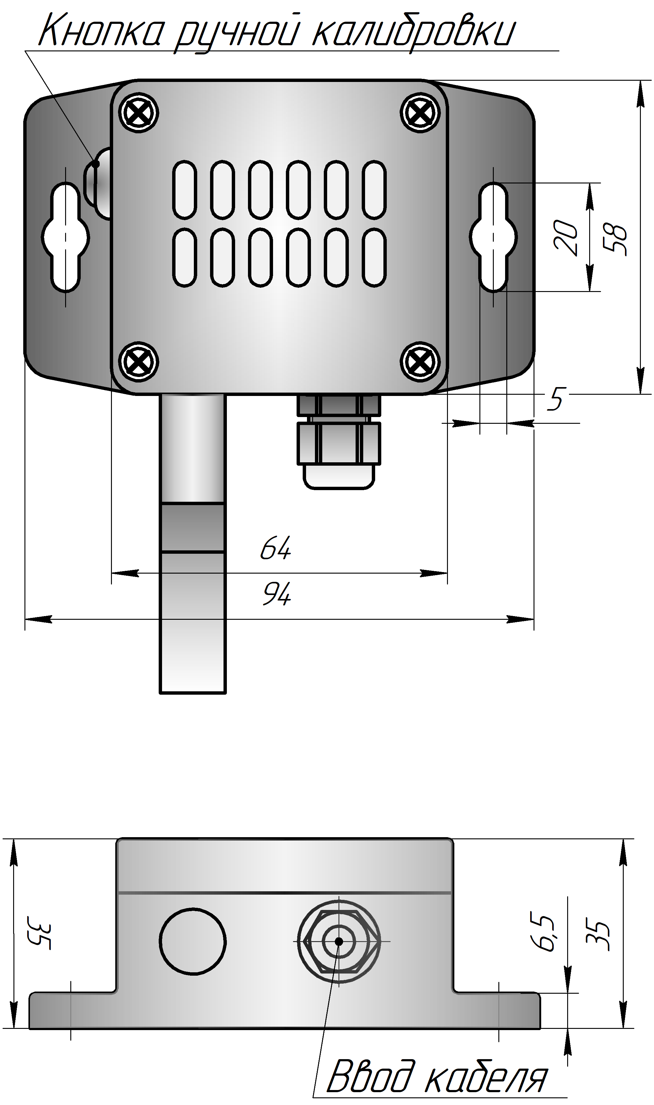
Тип корпуса Настенный
Ток нагрузки ≤ 20
Диапазон измерения температуры -40 …+60
Время установления выходного сигнала, мин. 2
Диапазон измерения относительной влажности, % RH 0...100%
Защита выходов от перегрузки и короткого замыкания нагрузки Есть
Защита от переполюсовки напряжения питания Есть
Материал фильтра Нержавеющая сталь или пористый алюминий
Погрешность преобр. относительной влажности, не более,%RH ±3
Собственный ток потребления, не более, мА 10
Способ подключения Кабель
Рабочая температура, оС -40 …+60
Сопротивление нагрузки, Ом ≥ 500
Материал корпуса Поликарбонат, Текаформ
Аналог E+E Electronik

Отзывы

Нет оценок
Без оценки
Прикрепить изображение (не более 5 мб)
Помогите другим пользователям с выбором - будьте первым, кто поделится своим мнением об этом товаре.

Как купить

Оформить заказ на сайте просто:

  1. Выберите нужный товар в каталоге

  2. Нажмите кнопку «В корзину»

  3. Перейдите в корзину и оформите заказ

  4. После оформления с вами свяжется наш менеджер для подтверждения деталей, оплаты и доставки

Если потребуется помощь с выбором оборудования или оформлением заказа — мы с радостью вам поможем.

Оплата

Мы предлагаем удобные и прозрачные способы оплаты:

Безналичный расчет
Доступен для физических и юридических лиц. При необходимости возможна работа по договору поставки с предоставлением всех закрывающих документов.

Оплата банковской картой
При самовывозе вы можете оплатить заказ пластиковой картой МИР, VISA или MasterCard или наличными.

Если у вас есть вопросы по оплате или документам — наш менеджер всегда готов проконсультировать вас.

Доставка

Мы предлагаем несколько вариантов получения заказа:

Доставка по Челябинску

  • Стоимость доставки в черте города — 900 ₽

  • Бесплатная доставка оборудования в день монтажа

  • Бесплатная доставка до транспортной компании для отправки в другие регионы

Самовывоз
Удобный, быстрый и бесплатный способ получения заказа.

Адрес:

г. Челябинск, ул.Дегтярева 60А
 

Телефон:
+7(351)223-08-53

Время работы:
ПН–ПТ: 8:30–17:00 (без перерыва)

СБ, ВС: выходной

20 900 ₽ /шт.
-100%
Экономия -20900 ₽
Достаточно
Выбранный вариант — Датчик углекислого газа влажности и температуры ДУГВТ 24.RS485.1.10.К
Характеристики
Измеряемый параметр Углекислый газ, влажность и температура
Напряжение питания, VDC 15...30
Выход датчика RS485
Тип корпуса Настенный
Ток нагрузки ≤ 20
Диапазон измерения температуры -40 …+60
Цена действительна только для интернет-магазина и может отличаться от цен в розничных магазинах
Нужна консультация?
Наши специалисты ответят на любой интересующий вопрос
Датчик углекислого газа влажности и температуры ДУГВТ 24.RS485.1.10.К
Датчик углекислого газа влажности и температуры ДУГВТ 24.RS485.1.10.К
В наличии
20 900 ₽ /шт.
-100%
Экономия -20900 ₽
Ваша корзина пуста
Исправить это просто: выберите в каталоге интересующий
товар и нажмите кнопку «В корзину».
Перейти в каталог
К сожалению, раздел пуст
Исправить это просто: выберите в каталоге интересующий
товар и нажмите кнопку «В избранное».
Перейти в каталог